基于I2C通信协议的温湿度采集
日期: 2020-12-14 分类: 跨站数据测试 1000次阅读
本文目的是使用I2C通信协议对AHT20温湿度传感器进行数据采集,并将采集到的温湿度数据通过串口发送给上位机(windows10)。
目录
(一)I2C通信协议
1. I2C协议简介
I2C通讯协议(Inter-Integrated Circuit)是由Phiilps公司开发的一种简单、双向二线制同步串行总线。它只需要两根线即可在连接于总线上的器件之间传送信息。由于它引脚少,硬件实现简单,可扩展性强,不需要 USART、CAN 等通讯协议的外部收发设备,现在被广泛地使用在系统内多个集成电路(IC)间的通讯。
2. I2C总线特点
- 它是一个支持设备的总线。“总线”指多个设备共用的信号线。在一个 I2C 通讯总线中,可连接多个I2C通讯设备,支持多个通讯主机及多个通讯从机。
- 一条 I2C 总线只使用两条总线线路,分别是一条双向串行数据线(SDA) ,一条串行时钟线(SCL)。数据线即用来表示数据,时钟线用于数据收发同步。
- 每个连接到总线的设备都有一个独立的地址,主机可以利用这个地址进行不同设备之间的访问。
- 总线通过上拉电阻接到电源。当 I2C 设备空闲时,会输出高阻态,而当所有设备都空闲即都输出高阻态时,由上拉电阻把总线拉成高电平。
- 多个主机同时使用总线时,为了防止数据冲突,会利用仲裁方式决定由哪个设备占用总线。
- 具有三种传输模式:标准模式传输速率为 100kbit/s ,快速模式为 400kbit/s ,高速模式下可达 3.4Mbit/s,但目前大多 I2C 设备尚不支持高速模式。
- 连接到相同总线的 IC 数量受到总线的最大电容 400pF 限制 。
3. I2C工作原理
- I2C通信过程
- 写数据
若配置的方向传输位为“写数据”方向,即第一幅图的情况,主机广播完地址并且接收到应答信号后,就正式向从机传输一个字节的数据,主机每发送完一个字节数据,都要等待从机的应答信号(ACK)。当数据传输结束时,主机向从机发送一个停止传输信号§,表示不再传输数据。 - 读数据
若配置的方向传输位为“读数据”方向,即第二幅图的情况,主机广播完地址并且接收到应答信号后,就开始向主机返回一个字节的数据,从机每发送完一个数据,都会等待主机的应答信号(ACK)。当主机希望停止接收数据时,就向从机返回一个非应答信号(NACK),则从机自动停止数据传输。 - 读和写数据
除了基本的数据读写,I2C 通信更常用的是复合格式,即第三幅图的情况,该传输过程有两次起始信号(S)。一般在第一次传输中,主机通过SLAVE_ADDRESS寻找到从机设备后,发送一段表示从机设备内部的寄存器或存储器地址(注意区分它与SLAVE_ADDRESS的区别);在第二次的传输中,对该地址的内容进行读或写。
- 写数据
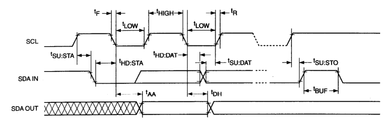
- I2C通信时序
- 开始信号:SCL 为高电平时,SDA 由高电平向低电平跳变,开始传送数据。
- 结束信号:SCL 为高电平时,SDA 由低电平向高电平跳变,结束传送数据。
- 应答信号:接收数据的 IC 在接收到一个字节的数据后,向发送数据的 IC 发出特定的低电平脉冲,表示已收到数据。CPU向受控单元发出一个信号后,等待受控单元发出一个应答信号,CPU接收到应答信号后,根据实际情况作出是否继续传递信号的判断。若未收到应答信号,则判断为受控单元出现故障。
如需深入了解I2C通信协议,可参考《零死角玩转STM32—F103指南者》第24章和《I2C 总线协议》。
(二)I2C的实现方式
1.软件I2C
将芯片的两个GPIO引脚分别用作SCL及SDA,按照I2C的时序要求,直接控制引脚的输出信号(若是接收数据时则读取 SDA 电平),就可以实现I2C通讯。由于是直接控制GPIO引脚的高低电平产生通讯时序,需要由CPU控制每个时刻的引脚状态,所以称为“软件模拟协议”方式即软件I2C方式。
2.硬件I2C
- 硬件I2C对应芯片上的I2C外设,具有相应的I2C驱动电路,其所使用的I2C管脚也是专用的,因而效率要远高于软件模拟的I2C,但是程序较为繁琐。硬件I2C是直接调用内部寄存器进行配置。
- 对于硬件I2C来说,它需要I2C片上外设专门负责实现I2C通讯协议,只要配置好该外设,它就会自动根据协议要求产生I2C的通讯信号,收发数据并缓存起来,CPU只要检测该外设的状态和访问数据寄存器,就能完成数据收发。这种由硬件外设处理I2C协议的方式减轻了CPU的工作负担,并且使软件开发更简单。
3.软硬I2C的比较
- 通信速度
相对来说,即使两者的通信速率设置成相等时,硬件I2C的通信速度要比软件I2C的速度要快。因为硬件I2C是通过片上外设实现的通信,CPU只需要去读写寄存器数据就可以进行I2C通信,程序较为简单并且占用的资源少。而软件I2C则需要程序模拟I2C时序,程序较为复杂且占用资源较多。 - 可移植性
对于硬件I2C来说,由于芯片I2C外设的IO口已经确定,无法随意更改其他IO口,因而可移植性较差;但是由于软件I2C是通过IO口模拟I2C通信时序实现的通信,因而可移植性比较好,在任何单片机上都可以使用,只需要修改一下通信时间以及配置好IO口就可以实现I2C通信。 - 稳定性
一般来说,软件模拟I2C稳定性要比硬件I2C更加稳定,硬件I2C不稳定,容易卡死,想要写得稳定程序就非常复杂;但是软件I2C可能会因为中断的影响造成数据读取不准确。
(三)温湿度数据采集
1.实验要求
- 每隔2秒钟采集一次温湿度数据
- 通过串口发送到上位机(windows10)
2.主要代码
- main.c
#include "led.h"
#include "delay.h"
#include "temhum.h"
#include "sys.h"
#include "usart.h"
int main(void)
{
u32 CT_data[2]={0};
volatile float hum=0,tem=0;
delay_init(); //延时函数初始化
NVIC_PriorityGroupConfig(NVIC_PriorityGroup_2); //设置NVIC中断分组2:2位抢占优先级,2位响应优先级
uart_init(115200); //串口初始化为115200
LED_Init(); //LED端口初始化
temphum_init(); //ATH20初始化
while(1)
{
AHT20_Read_CTdata(CT_data); //不经过CRC校验,直接读取AHT20的温度和湿度数据
hum = CT_data[0]*100*10/1024/1024; //计算得到湿度值(放大了10倍)
tem = CT_data[1]*200*10/1024/1024-500;//计算得到温度值(放大了10倍)
printf("湿度:%.1f%%\r\n",(hum/10));
printf("温度:%.1f度\r\n",(tem/10));
printf("\r\n");
//延时2s,LED闪烁提示串口发送状态
LED=0;
delay_ms(1000);
LED=1;
delay_ms(1000);
}
}
- 参考代码
使用官网代码移植到
3.实验结果
- LED灯闪烁
LED灯每亮灭一次就发送一次温湿度数据,如此循环发送。

- 串口发送
下图是串口每隔2s发送的温湿度数据,当用手捂住AHT20模块时可以发现温湿度迅速升高;当手离开AHT20模块时温湿度又逐渐降低。

(四)总结
通过使用I2C的方式对AHT20温湿度测量模块进行温湿度的读取,使我对于I2C通信协议的原理有了更加深入的理解,同时也让我更加熟悉使用I2C进行通信的过程。
由于作者水平有限,文中难免有疏漏之处,希望读者批评指正。
参考文章及书籍: 除特别声明,本站所有文章均为原创,如需转载请以超级链接形式注明出处:SmartCat's Blog
1.《零死角玩转STM32—F103指南者》
2.《STM32F1开发指南(精英版)-库函数版本_V1.2》
3.I2C总线
4.
下一篇: python实现快速排序
精华推荐
